- HOME > Product > Geared Motor > JK - HT / BT
- JK - HT / BT
JK-HT
JK-BT
Chapter 3 Geared Motor Disassembly Procedure and Exploded Views
- JK-HT
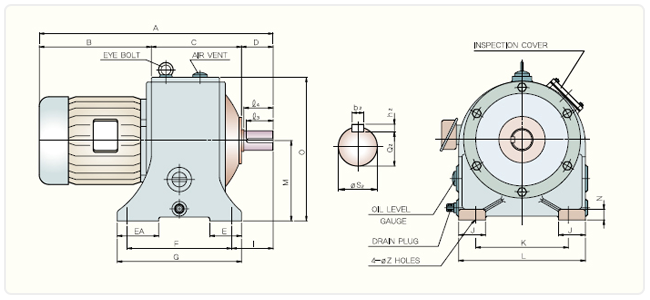
- The axial direction of this type is horizontal. When a brake or clutch is mounted onto the motor that is equipped with a reducer, operation and shutdown are possible. This type is the ideal product that also maximizes and optimizes the output revolutions, location and space needed when the users design and install.
- JK-HT Disassembly Procedure
- Referring to this exploded view, No.35unscrew the bolts, No.34open the cover of the oil dispenser, No.33remove the packing, and No.29extract the oil by unplugging. No.18Unscrew the bolt of the motor flange and disassemble the motor flange from the case, No.28unfasten the bolt so as to remove the cover. After unfastening the No.23shaft in the direction of A to A inside the case, take No.20, No.21 and No.22 out of the case and the bearing as well. Unfasten the No.6ring in the B side and the No.8ring in the B' side at the B to B' part, disassemble the shaft in the direction of B to B' in the case, take out the No.7gear and the No.3key, and disassemble the No.2and No.5bearings from the No.4shaft. With respect to the assembly in the A' side, unfasten the motor No.17ring, remove the No.15pinion and the No.16key, then the No.14motor. Unscrew the No.12bolt from the No.11motor flange so as to take the motor case apart from the flange. Clean the disassembled product and case with cleansing oil before replacing the worn parts with new ones in order to perform the assembly process. When the No.11 No.26 flanges are attached to the case, gaskets shall be fastened onto them to prevent oil leaks. The assembly procedure is the reverse direction of the disassembly. Refer to the exploded views. This heavy loading type may select the types of motors freely and simply use the needed output revolutions with the use of belts and chains. When it is used with a brake attached onto the input shaft, operation and shutdown are possible.



